|
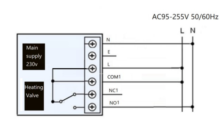
RC01& RC02 RF Wireless ReceiverModel Number: RC01 & RC02 Power Supply: 85-260vac, 50/60hz Works with MC6-HD RF Wireless: 868,mHz 1/2 channels outputs Boiler / valve / electric heating
Collect
Product Description
TECHNICAL DATA
Installation
WIRING DIAGRAM
|



